Chapter10 控制系统的状态空间设计

第10章 控制系统的状态空间设计

极点配置

1. 引言与基本概念

1.1 极点配置与根轨迹法的区别

极点配置法是状态空间设计法的核心内容之一,它与经典的根轨迹法在设计思路上有显著区别:

  • 根轨迹法:通常仅将闭环主导极点配置到希望的位置,以此保证系统的动态性能。

  • 极点配置法:可以把所有的闭环极点都配置到任意希望的位置,从而全面控制系统的动态特性。

1.2 适用前提

进行极点配置设计时,通常基于以下假设:

  1. 全状态可测:假设所有用于反馈的状态变量都是可以观测(测量)的 。若不可测,则需要引入状态观测器 。

  2. 状态完全可控:这是能够任意配置极点的核心条件。

  3. 系统类型:主要讨论单输入单输出(SISO)系统。

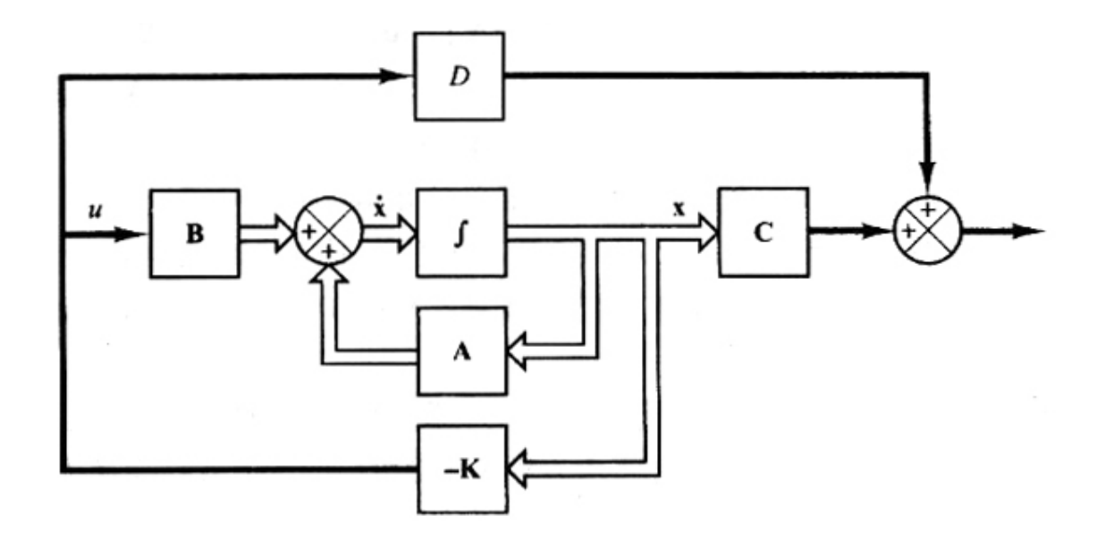
2. 状态反馈系统的结构

image-20251218204615918

2.1 系统描述

考虑线性定常连续系统:

{x˙=Ax+Buy=Cx+Du\begin{cases} \dot{x} = Ax + Bu \\ y = Cx + Du \end{cases}

2.2 控制律(状态反馈)

选取线性状态反馈控制律:

u=Kxu = -Kx

这意味着控制信号由系统的瞬时状态决定。

  • KK:状态反馈增益矩阵,对于SISO系统,其维数为 1×n1 \times n

2.3 闭环系统方程

将控制律代入原状态方程,得到闭环系统的状态方程:

x˙=Ax+B(Kx)=(ABK)x\dot{x} = Ax + B(-Kx) = (A-BK)x

该方程的解为:

x(t)=e(ABK)tx(0)x(t) = e^{(A-BK)t}x(0)

显然该系统的闭环特征方程为

sI(ABK)=0|sI - (A-BK)| = 0

2.4 调节器极点

  • 矩阵 ABKA-BK 的特征值被称为调节器极点

  • 系统的稳态和瞬态响应特性完全由 ABKA-BK 的特征值决定。

  • 如果所有调节器极点均位于左半平面,当 tt \to \infty 时,x(t)0x(t) \to 0,系统稳定。

  • 极点配置问题:就是通过选择矩阵 KK,将调节器极点(闭环极点,ABKA-BK 的特征值)配置到期望位置的问题。

注:

  • 该闭环控制系统(调节器系统)无输入量,或者说参考输入恒为0,控制系统的目的是保持输出量为0
  • 调节器系统 (Regulator):参考输入始终为零或非零常数,目的是保持输出为零或恒定。
  • 控制系统 (Control System):参考输入是时变的。

3. 极点任意配置的充要条件

3.1 定理

系统闭环极点能够进行任意配置充分必要条件是:系统状态完全可控

3.2 必要性证明 (如果不完全可控,则不能任意配置)

思路:利用Kalman规范分解证明不可控部分的特征值无法被改变。

  1. 假设系统不完全可控,则可控性矩阵的秩 rank(M)=q<nrank(M) = q < n
  2. 通过线性变换 x=Px^x = P\hat{x},将系统按可控性进行分解。选取 PP 使得前 qq 列线性无关(构成可控子空间),后 nqn-q 列为附加的补余向量。

P=[f1f2fqvq+1vq+2vn]P = \begin{bmatrix} f_1 & f_2 & \cdots & f_q & v_{q+1} & v_{q+2} & \cdots & v_n \end{bmatrix}

  1. 变换后的系统矩阵 A^\hat{A} 和输入矩阵 B^\hat{B} 具有如下形式:

A^=P1AP=[A11A120A22],B^=P1B=[B110]\hat{A} = P^{-1}AP = \begin{bmatrix} A_{11} & A_{12} \\ 0 & A_{22} \end{bmatrix}, \quad \hat{B} = P^{-1}B = \begin{bmatrix} B_{11} \\ 0 \end{bmatrix}

  1. 定义变换后的反馈增益 K^=KP=[k1k2]\hat{K} = KP = [k_1 \quad k_2]

  2. 闭环特征多项式为:

sI(ABK)=sI(A^B^K^)=sI[A11A120A22]+[B110][k1k2]=[sIqA11+B11k1A12+B11k20sInqA22]=sIqA11+B11k1sInqA22\begin{aligned} |sI - (A-BK)| &= |sI - (\hat{A} - \hat{B}\hat{K})| \\ &= \left| sI - \begin{bmatrix} A_{11} & A_{12} \\ 0 & A_{22} \end{bmatrix} + \begin{bmatrix} B_{11} \\ 0\end{bmatrix} \begin{bmatrix} k_1 & k_2 \end{bmatrix}\right| \\ &= \left| \begin{bmatrix} sI_q - A_{11} + B_{11}k_1 & -A_{12} + B_{11}k_2 \\ 0 & sI_{n-q} - A_{22} \end{bmatrix} \right| \\ &= |sI_q - A_{11} + B_{11}k_1| \cdot |sI_{n-q} - A_{22}| \end{aligned}

  1. 结论sInqA22|sI_{n-q} - A_{22}| 部分的特征值(A22A_{22} 的特征值)完全取决于原系统,与反馈增益 KK 无关。因此,若系统不完全可控,不可控部分的特征值无法配置。
    • 即为了任意配置矩阵 ABKA-BK 特征值,系统必须是状态完全可控的。

3.3 充分性证明 (如果完全可控,则可任意配置)

思路:将系统变换为可控标准形,证明反馈可以影响特征方程的所有系数。

  1. 若系统完全可控,存在变换矩阵 TT,使得 x^=T1x\hat{x} = T^{-1}x 变换后的系统为可控标准形

    • 可控标准形矩阵 A^\hat{A} 的最后一行包含原特征方程的系数 an,,a1-a_n, \dots, -a_1

    • 输入矩阵 B^=[0,,0,1]T\hat{B} = [0, \dots, 0, 1]^T

x^˙=A^x^+B^u=T1ATx^+T1Bu\dot{\hat{x}} = \hat{A} \hat{x} + \hat{B} u = T^{-1} A T \hat{x} + T^{-1} Bu

其中

A^=T1AT=[010000100001anan1an2a1],B^=T1B=[0001]\hat{A} = T^{-1} A T = \begin{bmatrix} 0 & 1 & 0 & \dots & 0 \\ 0 & 0 & 1 & \dots & 0 \\ \vdots & \vdots & \vdots & \ddots & \vdots \\ 0 & 0 & 0 & \dots & 1 \\ -a_n & -a_{n-1} & -a_{n-2} & \dots & -a_1 \end{bmatrix}, \hat{B} = T^{-1}B = \begin{bmatrix} 0 \\ 0 \\ \vdots \\ 0 \\ 1 \end{bmatrix}

  1. 在可控标准形下,施加反馈 u=K^x^u = -\hat{K}\hat{x},其中 K^=KT=[δnδn1δ1]\hat{K} = KT = \begin{bmatrix}\delta_n & \delta_{n-1} & \cdots & \delta_1 \end{bmatrix}
  2. 闭环系统矩阵 A^B^K^\hat{A} - \hat{B}\hat{K} 相比状态矩阵 A^\hat{A} 仅在最后一行发生变化,原系数 ai-a_i 变为 (ai+δi)-(a_i + \delta_i)

A^B^K^=T1ATT1BKT=[010000100001anan1an2a1][0001][δnδn1δ1]=[010000100001(an+δn)(an1+δn1)(an2+δn2)(a1+δ1)]\begin{aligned} \hat{A} - \hat{B}\hat{K} &= T^{-1} A T - T^{-1} B KT \\ &= \begin{bmatrix} 0 & 1 & 0 & \dots & 0 \\ 0 & 0 & 1 & \dots & 0 \\ \vdots & \vdots & \vdots & \ddots & \vdots \\ 0 & 0 & 0 & \dots & 1 \\ -a_n & -a_{n-1} & -a_{n-2} & \dots & -a_1 \end{bmatrix} - \begin{bmatrix} 0 \\ 0 \\ \vdots \\ 0 \\ 1 \end{bmatrix} \begin{bmatrix}\delta_n & \delta_{n-1} & \cdots & \delta_1 \end{bmatrix} \\ &= \begin{bmatrix} 0 & 1 & 0 & \dots & 0 \\ 0 & 0 & 1 & \dots & 0 \\ \vdots & \vdots & \vdots & \ddots & \vdots \\ 0 & 0 & 0 & \dots & 1 \\ -(a_n + \delta_n) & -(a_{n-1} + \delta_{n-1}) & -(a_{n-2} + \delta_{n-2}) & \dots & -(a_1 + \delta_1) \end{bmatrix} \end{aligned}

闭环特征多项式变为

sI(A^B^K^)=sI(T1ATT1BKT)=[s1000s100001an+δnan1+δn1an2+δn2s+a1+δ1]=sn+(a1+δ1)sn1++(an1+δn1)s+(an+δn)\begin{aligned} |sI - (\hat{A} - \hat{B}\hat{K})| &= |sI - (T^{-1} A T - T^{-1} B KT)| \\ &= \left|\begin{bmatrix} s & 1 & 0 & \dots & 0 \\ 0 & s & 1 & \dots & 0 \\ \vdots & \vdots & \vdots & \ddots & \vdots \\ 0 & 0 & 0 & \dots & 1 \\ a_n + \delta_n & a_{n-1} + \delta_{n-1} & a_{n-2} + \delta_{n-2} & \dots & s + a_1 + \delta_1 \end{bmatrix} \right| \\ &= s^n + (a_1 + \delta_1)s^{n-1} + \dots + (a_{n-1} + \delta_{n-1})s + (a_n + \delta_n) \end{aligned}

  1. 新的特征方程为:

sn+(a1+δ1)sn1++(an1+δn1)s+(an+δn)=0s^n + (a_1 + \delta_1)s^{n-1} + \dots + (a_{n-1} + \delta_{n-1})s + (a_n + \delta_n) = 0

  1. 设期望的特征方程为:

sn+α1sn1++αn1s+αn=0s^n + \alpha_1 s^{n-1} + \dots + \alpha_{n-1}s + \alpha_n = 0

  1. 通过比较同幂次系数(使同幂次系数相等),可得 αi=ai+δi\alpha_i = a_i + \delta_i,从而解出唯一的 δi\delta_i(即 K^\hat{K}),再反变换回原坐标系 K=K^T1K = \hat{K}T^{-1}。因此,只要可控,即可任意配置。

4. 极点配置的设计步骤与算法

方法一:变换矩阵法 (适用于高阶系统)

利用可控标准形变换矩阵 TT 来求解 KK

步骤:

  1. 检验可控性条件:计算可控性矩阵 M=[B,AB,,An1B]M = [B, AB, \dots, A^{n-1}B] 并检验其秩是否为 nn

  2. 求开环特征多项式系数:计算 sIA=sn+a1sn1++an|sI - A| = s^n + a_1s^{n-1} + \dots + a_n,确定 a1,,ana_1, \dots, a_n 的值。

  3. 构造变换矩阵 TT

T=MWT = MW

其中 MM 为可控性矩阵

M=[BABAn1B]M = \begin{bmatrix} B & AB & \cdots & A^{n-1}B \end{bmatrix}

WW 为托普利兹矩阵(Toeplitz-like matrix):本质上是可控标准型的可控性矩阵的逆矩阵,考试时需记忆该形式并直接代入开环多项式系数数值

W=[an1an2a11an2an310a11001000]W = \begin{bmatrix} a_{n-1} & a_{n-2} & \dots & a_1 & 1 \\ a_{n-2} & a_{n-3} & \dots & 1 & 0 \\ \vdots & \vdots & \ddots & \vdots & \vdots \\ a_1 & 1 & \dots & 0 & 0 \\ 1 & 0 & \dots & 0 & 0 \end{bmatrix}

  1. 写出期望特征多项式:根据期望极点 μi\mu_i,展开得到 i=0n(sμi)=sn+α1sn1++αn\prod_{i=0}^n (s-\mu_i) = s^n + \alpha_1s^{n-1} + \dots + \alpha_n
  2. 计算反馈增益矩阵 KK

K=[αnanαn1an1α1a1]T1K = [\alpha_n - a_n \quad | \quad \alpha_{n-1} - a_{n-1} \quad | \quad \dots \quad | \quad \alpha_1 - a_1] T^{-1}

注意:系数向量元素的顺序对应从常数项系数差到 sn1s^{n-1} 系数差

方法二:直接代入法 (适用于 n3n \le 3 的低阶系统)

直接利用特征方程系数相等求解。

步骤:

  1. K=[k1,k2,,kn]K = [k_1, k_2, \dots, k_n]
  2. 计算闭环特征多项式(特征方程)符号表达式 sIA+BK|sI - A + BK|
  3. 计算期望特征多项式(特征方程) (sμ1)(sμn)=sn+α1sn1++αn(s-\mu_1)\dots(s-\mu_n) = s^n + \alpha_1s^{n-1} + \dots + \alpha_n
  4. 令两式中 ss 的同次幂系数相等,建立方程组解出 kik_i

sIA+BK=(sμ1)(sμn)    k1,k2,,k3|sI - A + BK| = (s-\mu_1)\dots(s-\mu_n) \implies k_1, k_2, \cdots, k_3

5. 期望极点的选择策略

如何选择闭环极点的位置是设计的关键:

  1. 主导极点法:基于根轨迹经验,配置一对主导闭环极点以满足阻尼比和自然频率要求,其余极点配置在远离虚轴的左侧(远离主导极点)。

  2. 折中原则

    • 响应速度 vs 控制能量:需要在可接受的响应速度与控制能量之间权衡。
    • 响应速度过快(极点过远左侧)意味着需要大的控制能量,这会导致执行机构笨重且成本增加。
  3. 最优控制:另一种方法是基于二次型最佳控制(LQR)来确定极点。

6. 设计实例详解

题目:
给定系统 A=[010001156],B=[001]A = \begin{bmatrix} 0 & 1 & 0 \\ 0 & 0 & 1 \\ -1 & -5 & -6 \end{bmatrix}, B = \begin{bmatrix} 0 \\ 0 \\ 1 \end{bmatrix}。要求配置闭环极点为 s=2±j4s = -2 \pm j4s=10s = -10。求 KK
求解过程

  1. 可控性检验:

M=[B,AB,A2B]=[0010161631]M = [B, AB, A^2B] = \begin{bmatrix} 0 & 0 & 1 \\ 0 & 1 & -6 \\ 1 & -6 & 31 \end{bmatrix}

rank(M)=3rank(M) = 3,系统完全可控。

  1. 确定原系统参数 (aia_i):

sIA=s3+6s2+5s+1|sI - A| = s^3 + 6s^2 + 5s + 1

a1=6,a2=5,a3=1a_1=6, a_2=5, a_3=1

  1. 确定期望系统参数 (αi\alpha_i):期望多项式 =(s+2j4)(s+2+j4)(s+10)=(s2+4s+20)(s+10)=s3+14s2+60s+200= (s+2-j4)(s+2+j4)(s+10) = (s^2+4s+20)(s+10) = s^3 + 14s^2 + 60s + 200。故 α1=14,α2=60,α3=200\alpha_1=14, \alpha_2=60, \alpha_3=200

  2. 计算 KK (方法1:变换矩阵法)

    • 由于原系统已经是可控标准形(友矩阵形式),故变换矩阵 T=IT = I

    • 根据公式 K=[α3a3,α2a2,α1a1]T1K = [\alpha_3-a_3, \quad \alpha_2-a_2, \quad \alpha_1-a_1]T^{-1}

    • K=[2001,605,146]=[199,55,8]K = [200-1, \quad 60-5, \quad 14-6] = [199, \quad 55, \quad 8]

  3. 计算 KK (方法2:直接代入法)

  • 计算 sIA+BK|sI - A + BK|

det(s100s11+k15+k2s+6+k3)=s3+(6+k3)s2+(5+k2)s+(1+k1)\det \begin{pmatrix} s & -1 & 0 \\ 0 & s & -1 \\ 1+k_1 & 5+k_2 & s+6+k_3 \end{pmatrix} = s^3 + (6+k_3)s^2 + (5+k_2)s + (1+k_1)

  • 对比期望多项式 s3+14s2+60s+200s^3 + 14s^2 + 60s + 200
  • 方程组:

{6+k3=14    k3=85+k2=60    k2=551+k1=200    k1=199\begin{cases} 6 + k_3 = 14 \implies k_3 = 8 \\ 5 + k_2 = 60 \implies k_2 = 55 \\ 1 + k_1 = 200 \implies k_1 = 199 \end{cases}

  • 结果:K=[199,55,8]K = [199, 55, 8]

状态观测器 (State Observers)

1. 状态观测器的基本概念

在现代控制理论的状态反馈设计中,通常假设所有的状态变量都是可测量的。但在实际系统中,并非所有状态都能直接通过传感器测量(受限于成本、物理实现等)。

  • 定义:用于估计或观测系统内部不可测状态变量的装置称为状态观测器(State Observer)。
  • 作用:利用系统可测量的输入量 uu 和输出量 yy,重构出系统的全部状态向量 x~\tilde{x},用于状态反馈。
  • 分类
    • 全阶状态观测器 (Full-order State Observer):观测系统的所有 nn 个状态变量,无论其是否可测。
    • 降阶/最小阶观测器 (Reduced/Minimum-order Observer):若系统有 mm 个输出可测,仅估计剩下的 nmn-m 个状态变量。

2. 全阶状态观测器的数学模型

image-20251229164828076

2.1 结构与方程

全阶观测器本质上是原系统的一个数学模型,并在其基础上增加了一个基于输出误差的校正项。

  • 原系统方程

{x˙=Ax+Buy=Cx\begin{cases} \dot{x} = Ax + Bu \\ y = Cx \end{cases}

  • 观测器方程

x~˙=Ax~+Bu+Ke(yCx~)\dot{\tilde{x}} = A\tilde{x} + Bu + K_e(y - C\tilde{x})

整理后可得:

x~˙=(AKeC)x~+Bu+Key\dot{\tilde{x}} = (A - K_eC)\tilde{x} + Bu + K_e y

其中

  • KeK_e 为观测器增益矩阵(Observer Gain Matrix)。
  • yCx~y - C\tilde{x}:输出估计误差。该项用于补偿模型参数(A, B)的不精确性以及初始状态估计(初始状态与估计的初始状态之间)的偏差。

2.2 估计误差动态特性 (Error Dynamics)

为了验证观测器的有效性,必须分析估计误差随时间的变化。

  • 误差向量定义e=xx~e = x - \tilde{x}

  • 误差微分方程推导

e˙=x˙x~˙=(Ax+Bu)[Ax~+Bu+Ke(CxCx~)]=A(xx~)KeC(xx~)=(AKeC)e\begin{aligned} \dot{e} &= \dot{x} - \dot{\tilde{x}} \\ &= (Ax + Bu) - [A\tilde{x} + Bu + K_e(Cx - C\tilde{x})] \\ &= A(x - \tilde{x}) - K_eC(x - \tilde{x}) \\ &= (A - K_eC)e \end{aligned}

  • 结论:误差为 $$\dot{e} = (A - K_eC)e$$
  • 误差向量 e(t)e(t) 的动态特性完全由矩阵 AKeCA - K_eC 的特征值决定。
  • 稳定性要求:如果 AKeCA - K_eC稳定矩阵(即所有特征值具有负实部,特征值落在LHP),则对任意初始误差 e(0)e(0),当 tt \to \infty 时,e(t)0e(t) \to 0,即估计值 x~\tilde{x} 收敛于真值 xx
  • 如果系统是完全可观测的,则可证明,可以选择 KeK_e,使得 AKeCA-K_eC 具有任意所期望的特征值。

3. 观测器的设计与对偶原理

3.1 观测器设计的本质

  • 前提条件:如果系统是完全可观测的,则可证明,可以选择 KeK_e,使得 AKeCA-K_eC 具有任意所期望的特征值。
  • 设计全阶观测器的问题,转化为确定增益矩阵 KeK_e,使得 AKeCA - K_eC 具有期望的特征值(极点)。

3.2 对偶问题 (Dual Problem)

观测器设计问题与状态反馈的极点配置问题在数学上是对偶的。

  • 原系统(A,B,C)(A, B, C)

{x˙=Ax+Buy=Cx\begin{cases} \dot{x} = Ax + Bu \\ y = Cx \end{cases}

  • 对偶系统(A,C,B)(A^*,C^*,B^*)

{z˙=Az+Cvn=Bz\begin{cases} \dot{z} = A^* z + C^* v \\ n = B^* z \end{cases}

  • 关系1:原系统的可观性矩阵(行向量形式)和对偶系统的可控性矩阵相同

Qc=[CAC]=QoQ'_c = \begin{bmatrix} C^* & A^* C^* & \cdots \end{bmatrix} = Q_o

  • 关系2:原系统的观测器特征多项式与对偶系统的状态反馈特征多项式相同

sI(ACK)=sI(AKC)=sI(AKeC)|sI - (A^* - C^*K)| = |sI - (A - K^* C)| = |sI - (A - K_eC)|

其中 Ke=KK_e = K^* (即为原系统的观测器增益矩阵)

3.3 设计的充分必要条件

能设计状态观测器(即能任意配置观测器极点)的充要条件是:

  • 原系统的对偶系统是状态完全可控的

  • 等价于:原系统是状态完全可观测的

3.4 求取 KeK_e 的方法

变换法 (Ackermann公式的推广)

  1. 检验对偶系统可控性条件或原系统可观性条件:计算 Qc=[CAC]Q'_c = \begin{bmatrix} C^* & A^* C^* & \cdots \end{bmatrix} 并检验其秩是否为 nn
  2. 求对偶系统的开环矩阵多项式系数:sIA=sn+a1sn1++an|sI - A^*| = s^n + a_1s^{n-1} + \dots + a_n,确定 a1,,ana_1, \dots, a_n 的值。
  3. 构造变换矩阵 TTT=QcWT = Q'_c W,其中

W=[an1an2a11an2an310a11001000]W = \begin{bmatrix} a_{n-1} & a_{n-2} & \dots & a_1 & 1 \\ a_{n-2} & a_{n-3} & \dots & 1 & 0 \\ \vdots & \vdots & \ddots & \vdots & \vdots \\ a_1 & 1 & \dots & 0 & 0 \\ 1 & 0 & \dots & 0 & 0 \end{bmatrix}

  1. 写出期望的观测器特征多项式:根据期望的观测器极点 μi\mu_i,展开得到 i=0n(sμi)=sn+α1sn1++αn\prod_{i=0}^n (s-\mu_i) = s^n + \alpha_1s^{n-1} + \dots + \alpha_n
  2. 计算观测器增益矩阵 KeK_e

Ke=K=([αnanαn1an1α1a1]T1)=(T1)[αnanαn1an1α1a1]=(WQo)1[αnanαn1an1α1a1]\begin{aligned} K_e &= K^* = \left([\alpha_n - a_n \quad | \quad \alpha_{n-1} - a_{n-1} \quad | \quad \dots \quad | \quad \alpha_1 - a_1] T^{-1}\right)^* \\ &= (T^{-1})^* \begin{bmatrix} \alpha_n - a_n \\ \alpha_{n-1} - a_{n-1} \\ \cdots \\ \alpha_1 - a_1\end{bmatrix} \\ &= (WQ_o)^{-1} \begin{bmatrix} \alpha_n - a_n \\ \alpha_{n-1} - a_{n-1} \\ \cdots \\ \alpha_1 - a_1\end{bmatrix} \end{aligned}

推导用到一些矩阵运算性质,我线代学得一坨屎,希望没错:由于W是实对称矩阵,Q_c转置正好是列向量形式Q_o,对于前面乘的变换矩阵可以做如下化简

(T1)=(T)1=(WQc)1=(WQo)1(T^{-1})^* = (T^*)^{-1} = (W^* Q'^*_c)^{-1} = (WQ_o)^{-1}

QoQ_o 为原系统的可观性矩阵的列向量形式

注意:系数向量元素的顺序对应从常数项系数差到 sn1s^{n-1} 系数差

直接代入法

  • 首先,检验原系统的可观性或对偶系统的可控性

Qc=[CAC]=Qo,rank(Qc)=nQ'_c = \begin{bmatrix} C^* & A^* C^* & \cdots \end{bmatrix} = Q_o, \, \text{rank}(Q'_c) = n

  • 设观测器增益矩阵 Ke=[ke1,ke2,]TK_e = [k_{e1}, k_{e2}, \dots]^T
  • 将其代入特征多项式 sI(AKeC)|sI - (A - K_eC)|,并令其等于期望的观测器特征多项式
  • 通过对比 ss 的同次幂系数求解

sI(AKeC)=(sμ1)(sμn)|sI - (A - K_eC)| = (s - \mu_1) \cdots (s - \mu_n)

3.5 最佳 KeK_e 的选择与折中

  • 响应速度KeK_e 较大时,估计误差收敛快(响应快)。

  • 噪声敏感度:如果测量输出 yy 含有噪声,KeK_e 过大不仅会放大噪声,还可能引入高频干扰。

  • 设计原则KeK_e 的选择是快速响应对干扰/噪声灵敏度之间的折中。通常观测器的极点应选得比系统主导极点快,但不能过远以免带宽过大引入噪声。


4. 观测器-状态反馈控制系统 (分离定理)

当系统状态不可测时,使用观测到的状态 x~\tilde{x} 代替真实状态 xx 进行反馈。

4.1 系统构成

  • 控制律u=Kx~u = -K\tilde{x}

  • 闭环系统方程推导:将 u=K(xe)u = -K(x-e) 代入原系统方程:

x˙=AxBKx~=Ax+B[K(xe)]=(ABK)x+BKe\dot{x} = Ax-BK\tilde{x} = Ax + B[-K(x-e)] = (A - BK)x + BKe

结合误差方程 e˙=(AKeC)e\dot{e} = (A - K_eC)e,可得 4.2 中结论

4.2 增广矩阵与特征方程

将状态 xx 和误差 ee 组合成增广状态向量,得到整个闭环系统的状态空间表达式:

[x˙e˙]=[ABKBK0AKeC][xe]\begin{bmatrix} \dot{x} \\ \dot{e} \end{bmatrix} = \begin{bmatrix} A - BK & BK \\ 0 & A - K_eC \end{bmatrix} \begin{bmatrix} x \\ e \end{bmatrix}

该方程描述了观测-状态反馈控制系统的动态特性

由于系统矩阵是分块上三角矩阵,其特征多项式为对角线上两块特征多项式的乘积,特征方程为:

特征方程=sI(ABK)sI(AKeC)=0\text{特征方程} = |sI - (A - BK)| \cdot |sI - (A - K_eC)| = 0

4.3 分离性质 (Separation Principle)

  • 重要结论:观测器-状态反馈系统的闭环极点集合,等于由极点配置单独设计的极点与由观测器单独设计的极点的并集。
  • 这意味着:极点配置(控制器设计)和观测器设计是相互独立的,可以分步进行,互不影响。

5. 控制器-观测器的传递函数

将观测器和反馈增益视为一个整体(动态控制器),可以推导其从输出 yy 到输入 uu 的传递函数。

  • 传递函数(输入输出关系)

U(s)Y(s)=K(sIA+KeC+BK)1Ke\frac{U(s)}{Y(s)} = -K(sI - A + K_eC + BK)^{-1}K_e

这个传递函数代表了反馈回路中的补偿器部分(总的控制器部分)

简要推导过程:

采用观测器观测到的状态作为状态反馈

u~=Kx~    x~˙=(AKeC)x~+Bu+Key=(AKeCBK)x~+Key\tilde{u} = - K \tilde{x} \implies \dot{\tilde{x}} = (A - K_eC)\tilde{x} + Bu + K_e y = (A - K_e C - BK) \tilde{x} + K_e y

进行 Laplace 变换

X~(s)=(sIA+KeC+BK)1KeY(s)\tilde{X}(s) = (sI - A + K_e C + BK)^{-1} K_e Y(s)

最后代入状态反馈方程的Laplace变换

u~=Kx~LU(s)=KX~(s)=K(sIA+KeC+BK)1KeY(s)\tilde{u} = - K \tilde{x} \stackrel{\mathcal{L}}{\longrightarrow} U(s) = -K \tilde{X}(s) = -K (sI - A + K_e C + BK)^{-1} K_e Y(s)

整理一下可得从输入到输出的传递函数 U(s)Y(s)\frac{U(s)}{Y(s)}

image-20251229174255693 image-20251218110447525

6. 最小阶观测器 (Minimum-Order Observer)

  • 原理:若输出向量 yy 是可测量的 mm 维向量,且这 mm 个输出变量是状态的线性组合,则这 mm 个状态变量是已知的。
  • 需观测器观测的阶数:观测器只需要估计剩余的 nmn-m 个状态变量。
  • 特点:最小阶观测器的阶数为 nmn-m,通常比全阶观测器计算量小,结构更简单。
image-20251229175431638

7. 带观测器的调节器系统设计流程

7.1 设计步骤

  1. 建模:推导系统的状态空间模型。
  2. 极点选择
    • 选择期望的闭环控制极点(决定系统性能)。
    • 选择期望的观测器极点(通常应比控制极点快,且需位于左半平面)。
  3. 计算增益:确定状态反馈增益矩阵 KK 和观测器增益矩阵 KeK_e
  4. 仿真与校验:检验对给定初始条件的响应。如果不满意(如超调过大或噪声敏感),需调整极点位置重算。

7.2 参考输入系统的结构

对于有参考输入 rr 的系统,观测器控制器的介入位置有多种结构(如参考输入加在观测器回路外或内),需确保输出 yy 能跟随输入 rr


8. 总结与注意事项

  • 时域方法的优势:基于极点配置与观测器的状态空间法功能强大,适用于多变量系统。

  • 稳定性裕量 (Stability Margins):引入观测器通常会降低系统的稳定裕量。设计完成后,建议使用频率响应法(如伯德图)检查稳定裕量。

  • 噪声与带宽:观测器极点选得过远(带宽过大)会导致高频噪声通过。这是一个工程折中问题。

  • 经典与现代结合:虽然状态空间法很强,但如果能用低阶校正装置(经典控制方法)解决,应优先采用经典方法。

0%