Chapter2 LTI Systems
Linear Time-Invariant (LTI) Systems
Definition
- An LTI system is both linear and time-invariant.
Key Properties
- Input-Output Relationship:
- For a Continuous-Time (CT) LTI system:
- This holds for any input , delay , weight , and positive integer .
- For a Discrete-Time (DT) LTI system:
- This holds for any input , delay , weight , and positive integer .
- Impulse Response and Convolution:
- The output of an LTI system can be predicted using convolution.
- The key idea is to represent any input signal as a linear combination of time-shifted impulses.
- The systemโs response to an impulse (impulse response) fully characterizes the system.
Implications
- The response of an LTI system to a linear combination of time-shifted inputs is the same linear combination of the identically shifted original outputs.
- This property simplifies the analysis and prediction of system behavior, making convolution a fundamental tool for studying LTI systems.
Convolution representation of LTI systems
Unit Impulse Representation of Discrete-Time (DT) Signals
Key Concepts
-
Unit Impulse Representation:
-
The discrete-time signal $$x[n]$$ can be represented as a sum of weighted, shifted unit impulses:
-
Here, $$\delta[n - k]$$ is the unit impulse function.
-
-
Unit Impulse Response:
- Let $$h[n]$$ represent the unit impulse response:
- Let $$h[n]$$ represent the unit impulse response:
-
Linearity and Time-Invariance (LTI) Property:
- For an LTI system, the response to a linear combination of shifted impulses is the same linear combination of the corresponding shifted impulse responses:
- For an LTI system, the response to a linear combination of shifted impulses is the same linear combination of the corresponding shifted impulse responses:
-
Convolution Sum:
-
Applying the LTI property to the representation of $$x[n]$$, we get:
-
This is known as the convolution sum between $$x[n]$$ and $$h[n]$$, which is a linear combination of shifted impulse responses.
-
Conclusion
- The convolution sum describes how the output of an LTI system is the weighted sum of the systemโs responses to individual shifted impulses.
Convolution Representation of DT LTI Systems
-
Convolution Sum Representation
The output $$y[n]$$ of a Discrete-Time Linear Time-Invariant (DT LTI) system can be expressed as:- Here, $$x[n]$$ is the input signal.
-
h[n]$$ is the system's unit impulse response.
-
Interpretation of Convolution
- The response of a DT LTI system to any input $$x[n]$$ is equal to the convolution of the input with the systemโs unit impulse response $$h[n]$$.
- This means the systemโs behavior is fully characterized by its impulse response.
-
Intrinsic Nature of Convolution
- The convolution sum is essentially a sum of weighted, shifted impulse responses ($$x[k]h[n - k]$$).
- Each term corresponds to a weighted, shifted impulse ($$x[k]\delta[n - k]$$).
- Despite this, the convolution expression does not explicitly involve unit-impulse decomposition.
Unit Impulse Representation of Continuous-Time (CT) Signals
Concept Overview
- A continuous-time (CT) signal can be approximated by a sequence of rectangular functions .
- As , these rectangular approximations approach the Dirac delta function .
Approximation of CT Signal
A CT signal can be approximated as:
Impulse Response and LTI Systems
Impulse Response Definition
- Let be the systemโs response to .
- The impulse response of the system is defined as:
- Thus, is the systemโs response to the ideal delta function .
Representation Using Convolution (For LTI Systems)
Step 1: Use Approximate Delta
Step 2: Take the Limit as
Final Convolution Integral Representation
- The signal can be expressed as:
- This is the convolution integral between and .
Convolution Representation of CT LTI Systems
- The convolution integral:
is used to compute the output of a CT LTI system.
Key Insight
The response of a CT LTI system to any input is equal to the convolution integral of the input with the systemโs unit impulse response.
- While the convolution expression does not explicitly show the unit impulse decomposition, it implicitly relies on it.
Interpretation
- The convolution integral is essentially a sum of weighted, shifted impulse responses:
- : weighted response to shifted impulse.
- : representation of as an impulse-weighted sum.
Definition of Convolution
Convolution is a fundamental operation in signal processing and linear systems, used to express the output of a system in terms of its input and its impulse response.
๐น Discrete-Time Convolution (Convolution Sum)
For discrete-time signals and , the output is given by:
This is called the convolution sum.
๐น Continuous-Time Convolution (Convolution Integral)
For continuous-time signals and , the output is given by:
This is called the convolution integral.
Convolution with Unit Impulse
-
- Since $$ \delta(t - \tau) = 0 $$ except at $$ \tau = t $$, it follows:
-
-
Thus:
-
A generalized form of this property is called the convolution property of unit impulse:
-
The identity:
is called the sifting property (็ญ้ๆง่ดจ) of the unit impulse.
Implementation of convolutional calculations
- The implementation of convolution sum follows a โreversal-shifting-multiplication-sumโ RSMS procedure.
RSMS Procedure for DT convolution sum
Goal: Compute convolution:
Key Steps (for fixed )
- Reverse:
- Shift:
- Multiply:
- Sum: Over all , to get
Repeat by increasing .
For Finite Support Signals
-
when and donโt overlap
-
As increases, overlap grows, peaks, then diminishes
-
Total nonzero :
ๆดๅฎ้ ็่งฃ้ขๆนๆณ
ๅฎ้ ๆ ๅตไธ๏ผๅท็งฏไธ่ฌ็จๆฅๅค็ๆ้้ฟๅบฆ๏ผๅชๅจๆ้้ฟๅบฆๅบๅๅ ้้ถ๏ผ็็ฆปๆฃๆถ้ดไฟกๅทใๅฉ็จ่ฟไธ็น๏ผไฝฟ็จไปฅไธ็ๆญฅ้ชค่งฃ้ขไผๆฏ่พๅฅฝ๏ผ
- ๆ็
งๅท็งฏ็ๅฎไนๅผๅญ๏ผๆ้ข็ฎๆ็ป็ไฟกๅทๅๅฒๆฟๅๅบไปฃๅ
ฅ
- ๆๆถๅ็ฎๅท็งฏ็้ข็ฎๅฐฑๅช็ปไธคไธชๅฝๆฐ๏ผ่ฆไธไผ่ฏดๅชไธชๆฏไฟกๅทๅชไธชๆฏๅฒๆฟๅๅบ๏ผ้ฃไน้ๆฉๆฏ่พ็ฎๅ็ๅฝๆฐๆ่ ็่ตทๆฅๆฏ่พๅๆฏ็ณป็ปๅฒๆฟๅๅบ็้ฃไธชๅฝๆฐไฝไธบ้ฃไธ่พน๏ผๅ ไธบๅ็ปญ่ฆ่ฟ่กๅๆข๏ผ่ฟๆญฅ็้ๆฉไผๅฝฑๅๅ็ปญ็่ฎก็ฎ้
- ๅ ไธบๅบๆฌไธ็ปไฝ ็ๅฝๆฐๆฏๆ้้ฟๅบฆ็๏ผ้ฃไนๅฏไปฅๅ
ๅคๅฎไฝฟๅพๅ้้ถ็ ็่ๅดใ่ฅๆฏๅๆฎตๅฝๆฐ๏ผ่ฟ้่่็ๅๅๆฎตๅฏนๅบ็ ็่ๅดใ
- ๆณจๆ๏ผๅท็งฏๅ็่ชๅ้ๆฏ ๏ผๆไปฅ่ฟ้็ฎ็ๆฏ ็่ๅด๏ผ่่ฟไธช่ๅด็ไธไธ้ๅฏ่ฝๆฏๅซๆ ็่กจ่พพๅผ
- ๅฆๆ ๆฏๆฏ่พๅคๆ๏ผๅจ่ฟไธๆญฅ่่ๅๅบๅ ถๅๆขๅ็ๅๆฎต่กจ่พพๅผ
- ๅชๆๅ้ฝ้้ถๆถ๏ผๅท็งฏ็ๅผ้้ถ๏ผๅ
ถไปๆ
ๅตๅท็งฏ้ฝๆฏ้ถใๅฉ็จ่ฟไธ็นๆง๏ผๅช้่ฎก็ฎไธค่
้ฝ้้ถๅบ้ดๅ
็ๅท็งฏๅๅณๅฏ
- ่ฟไธๆญฅ้่ฆๅฏนไบ ็ๅผๅจไธๅๅบๅๅ ๆถ๏ผไธค็ง้้ถ่ๅด็ไธๅ้ๅ ๆ ๅต๏ผ่ฟ่กๅ็ฑป่ฎจ่ฎบ
- ๅฏนไบๅๆฎตๅฝๆฐ๏ผ่ฟ้่ฆ่่ๆฏไธชๅๆฎต็้ๅ ๆ ๅต๏ผ่ฟ่กๆด็ป่ด็ๅ็ฑป่ฎจ่ฎบใๅฆๆๅคชๅคๆ๏ผ่่็ปๅบ ็ๅพๅๆฅ่พ ๅฉๅคๆญ
- ไฝฟ ๅ้้ถ็ ็่ๅดไธญๅซๆ ๏ผๆไปฅ้ๅ ๆ ๅตๆฏ็ฑ ็ๅๅผๅณๅฎ็๏ผ่ฟ้ๅ็ฑป่ฎจ่ฎบ็ๆฏ ๏ผ
- ็ปผๅๅ็งๆ ๅต๏ผๅพๅฐ็ปๆ
ๅฆๅค๏ผ
- ๅฆๆ็ดๆฅ็ฎๆไธๆธ ๆฅ็๏ผๅฏไปฅ็ปๅพ่พ ๅฉ
RSMI Procedure for CT convolution integral
Goal:
Compute continuous-time convolution:
Key Steps:
- Reverse
- Shift to
- Multiply with
- Integrate over all
For Signals with Compact Support:
- The RSMI procedure simplifies similarly to RSMS.
- The support length of is:
ๆดๅฎ้ ็่งฃ้ขๆนๆณ
ๅฎ้ ๆ ๅตไธ๏ผๅท็งฏไธ่ฌ็จๆฅๅค็ๆ้้ฟๅบฆ๏ผๅชๅจๆ้้ฟๅบฆๅบๅๅ ้้ถ๏ผ็่ฟ็ปญๆถ้ดไฟกๅทใๅฉ็จ่ฟไธ็น๏ผไฝฟ็จไปฅไธ็ๆญฅ้ชค่งฃ้ขไผๆฏ่พๅฅฝ๏ผ
- ๆ็
งๅท็งฏ็ๅฎไนๅผๅญ๏ผๆ้ข็ฎๆ็ป็ไฟกๅทๅๅฒๆฟๅๅบไปฃๅ
ฅ
- ๆๆถๅ็ฎๅท็งฏ็้ข็ฎๅฐฑๅช็ปไธคไธชๅฝๆฐ๏ผ่ฆไธไผ่ฏดๅชไธชๆฏไฟกๅทๅชไธชๆฏๅฒๆฟๅๅบ๏ผ้ฃไน้ๆฉๆฏ่พ็ฎๅ็ๅฝๆฐๆ่ ็่ตทๆฅๆฏ่พๅๆฏ็ณป็ปๅฒๆฟๅๅบ็้ฃไธชๅฝๆฐไฝไธบ้ฃไธ่พน๏ผๅ ไธบๅ็ปญ่ฆ่ฟ่กๅๆข๏ผ่ฟๆญฅ็้ๆฉไผๅฝฑๅๅ็ปญ็่ฎก็ฎ้
- ๅ ไธบๅบๆฌไธ็ปไฝ ็ๅฝๆฐๆฏๆ้้ฟๅบฆ็๏ผ้ฃไนๅฏไปฅๅ
ๅคๅฎไฝฟๅพๅ้้ถ็ ็่ๅด
- ๆณจๆ๏ผๅท็งฏๅ็่ชๅ้ๆฏ ๏ผๆไปฅ่ฟ้็ฎ็ๆฏ ็่ๅด๏ผ่่ฟไธช่ๅด็ไธไธ้ๅฏ่ฝๆฏๅซๆ ็่กจ่พพๅผ
- ๅฆๆ ๆฏๆฏ่พๅคๆ๏ผๅจ่ฟไธๆญฅ่่ๅๅบๅ ถๅๆขๅ็ๅๆฎต่กจ่พพๅผ
- ๅชๆๅ้ฝ้้ถๆถ๏ผๅท็งฏ็ๅผ้้ถ๏ผๅ
ถไปๆ
ๅตๅท็งฏ้ฝๆฏ้ถใๅฉ็จ่ฟไธ็นๆง๏ผๅช้่ฎก็ฎไธค่
้ฝ้้ถๅบ้ดๅ
็ๅท็งฏๅๅณๅฏ
- ่ฟไธๆญฅ้่ฆๅฏนไบ ็ๅผๅจไธๅๅบๅๅ ๆถ๏ผไธค็ง้้ถ่ๅด็ไธๅ้ๅ ๆ ๅต๏ผ่ฟ่กๅ็ฑป่ฎจ่ฎบ
- ๅฏนไบๅๆฎตๅฝๆฐ๏ผ่ฟ้่ฆ่่ๆฏไธชๅๆฎต็้ๅ ๆ ๅต๏ผ่ฟ่กๆด็ป่ด็ๅ็ฑป่ฎจ่ฎบใๅฆๆๅคชๅคๆ๏ผๅฐฑ็ปๅพๆฅ็ใ
- ไฝฟ ๅ้้ถ็ ็่ๅดไธญๅซๆ ๏ผๆไปฅ้ๅ ๆ ๅตๆฏ็ฑ ็ๅๅผๅณๅฎ็๏ผ่ฟ้ๅ็ฑป่ฎจ่ฎบ็ๆฏ ๏ผ
- ็ปผๅๅ็งๆ ๅต๏ผๅพๅฐ็ปๆ
ๅฆๅค๏ผ
- ๅฆๆ็ดๆฅ็ฎๆไธๆธ ๆฅ็๏ผๅฏไปฅ็ปๅพ่พ ๅฉ
Mathematical properties of convolution
๐ 1. Commutative Property๏ผไบคๆขๅพ๏ผ
- Discrete-time:
- Continuous-time:
- โ Meaning: Order of convolution does not affect the result.
๐ 2. Distributive Property๏ผๅ้ ๅพ๏ผ
- Expression:
- โ Meaning: Convolution distributes over addition.
๐ 3. Associative Property๏ผ็ปๅๅพ๏ผ
- Expression:
- โ Meaning: Grouping of convolution operations doesnโt matter.
๐ 4. Cascading Order of LTI Systems
-
By combining commutative and associative properties, we get:
-
โ Implication: In LTI systems, the order of cascade does not matter.
- Cascading multiple LTI systems yields the same result regardless of the order of convolution.
- The whole system remains the same when the order of cascade is changed.
๐ 5. Differentiation Property of Convolution
If:
then:
This extends to:
- Higher-order derivative:
- Running integral:
โ Meaning: Differentiation (or integration) of the output equals the convolution of the derivative (or integral) of the input.
- A more fundamental understanding: In a Linear Time-Invariant (LTI) system, the derivative (or integral) of the input produces the derivative (or integral) of the output.
๐ 6. Indications of Differentiation
Example:
- Input: Unit step function
- Output: Sigmoid (smooth step-like function)
- Impulse response: Derivative of sigmoid (bell-shaped curve)
โ The impulse response of a system that turns a unit step into a sigmoid is the derivative of the sigmoid.

System properties for LTI systems
๐ง Memory of an LTI System
-
An LTI system is memoryless if:
depends only on .
-
This implies:
-
Therefore, the impulse response must be:
-
Since convolution with gives:
โ The only memoryless LTI system is a rescaling system (e.g., amplifier).
โณ Causality of an LTI System
-
General definition: A system is causal if the output depends only on values of the input for .
-
For an LTI system, the output is given by:
This must depend only on for .
-
So we must have:
-
โ Conclusion: An LTI system is causal iff
-
This is much easier to check than the general causality definition!
๐ค Initial Rest Property
-
Definition:
A system has the initial rest property if the output is zero before the input becomes nonzero.
In other words:The system generates nonzero output only after the input becomes nonzero.
-
โ ๏ธ Note:
Not all causal or memoryless systems have this property.
Example: is memoryless and causal, but not initially at rest.
๐ Key Result for LTI Systems:
An LTI system has the initial rest property if and only if it is causal.
โ๏ธ Brief Proof:
(1) LTI + Initial Rest โ Causality
- Given: System is LTI and has initial rest โ
For any , if for , then for . - Consider the systemโs impulse response :
For the system to output zero before input is nonzero, we must have:โ By definition, the system is causal.
(2) LTI + Causality โ Initial Rest
- Given: for (causality), and system is LTI.
- Let for all . Then for :
Since , , and thus (by causality),
โ Therefore, the system is initially at rest.
LCCDE Systems
Definition of LCCDE (Linear Constant-Coefficient Differential Equation)
-
General form:
- : output
- : input
-
Order of LCCDE: determined by the highest derivative of , i.e.,
-
Examples:
- 0th order:
- 1st order:
- 2nd order:
-
โConstant coefficientโ: , are constants (not functions of )
-
โLinearโ: the equation is a linear combination of derivatives of
โ ๏ธ Note: A system described by an LCCDE is not necessarily a linear system, despite the equation being linear.
Physical Systems Described by LCCDE
Two typical 1st-order LCCDE systems:
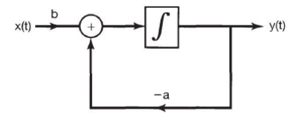
- RC Circuit (Example 1.8):
- Equation:
- Input: (voltage source)
- Output: (capacitor voltage)
- Goal: Determine 's response to a unit step input.
- Equation:
-
Car Motion (Example 1.9):
- Equation:
- Input: (applied force)
- Output: (car speed)
- Goal: Determine how speed changes when force is applied suddenly.
- Equation:
Both are modeled by first-order LCCDEs and describe dynamic responses to step inputs.
Summary: Solution Space of LCCDE
-
To solve an LCCDE:
we must find all functions satisfying the equation.
-
Solution = Particular Solution ็น่งฃ + Homogeneous Solution ้่งฃ
- Particular Solution : A specific solution that satisfies the entire non-homogeneous equation.
- Homogeneous Solution : Solution to the homogeneous equation (right-hand side = 0).
- For example, for any constant .
-
Complete solution space:
-
Key fact:
Every LCCDE has infinitely many solutions, all expressible as:
Initial State
๐น LCCDE System โ LCCDE Equation
- A system built on an LCCDE needs initial state info to produce a unique output.
- Example: A carโs speead response depends not just on the gas pedal (input), but also on its initial speed.
๐น LCCDE System = LCCDE + Initial State
- Assume input turns on at ; for .
- Initial state: (e.g., initial voltage or velocity).
- Unique solution obtained by matching:
Zero-state and Zero-input responses
๐ Definition and Components
-
The total output ( y(t) ) of an LCCDE system is:
-
Zero-state response:
- Caused by input signal when initial conditions are zero.
- Also called the particular solution.
-
Zero-input response:
- Caused by initial conditions when input is zero.
- Also called the homogeneous solution.
๐ Independence
- The two responses are mutually independent:
- Changing one does not affect the other.
- Denote:
- , from initial state only.
- , from input only.
- Therefore:
is the overall response.
LCCDE is an Incrementally LTI System
-
LCCDE output = Zero-state response (LTI) + Zero-input response
-
where
-
: Response from LTI subsystem, which is also the zero-state reponse
- This means the zero-state reponse is response from a LTI system
-
: Response from initial state, which is also the zero-input response
-
Key Insight
- A LCCDE is a LTI system if and only if , or more specifically, if and only if the initial state is 0, or the system fits initial rest property.

The โclassical approachโ to Output prediction for general LCCDE systems
๐ธ Motivation
- Predicting output using zero-state and zero-input response can be hard due to the unit-step in realistic input signals (e.g., ).
๐ธ Classical Approach Strategy
-
Remove and restrict to .
-
Solve the modified equation without
- Let
- Guess particular solution , Substitute into the equation to determine the coefficients
-
adjust using continuity at .
๐ธ Key Example
- Problem Setup
- Realistic inputs include unit-step:
- Equation:
- Classical Method Strategy
- Drop and solve for :
- Solving the Modified Equation
Particular Solution :
Guess:
Plug into the equation:
So,
Homogeneous Solution :
Solve
- Apply Continuity at
- Final Total Solution (for )
- Compare with Original Equationโs Solution
The solution of original equation is
- ๆๆถ๏ผ้ข็ฎไผ็ปไฝ initial restๆกไปถ๏ผ็ถๅ่ฎฉไฝ ไปไฟฎๆนๅ็ๆน็จ็่งฃ๏ผ5็ๅฝขๅผ๏ผๆจๅๅๆน็จๅฎๆด็่งฃ๏ผ6็ๅฝขๅผ๏ผ๏ผๅ ถๅฎไธ่ฌๅฐฑๆฏไนไธไธไธช ๅฐฑๅฅฝไบ
๐ธ Interpretation
-
Classical and original methods yield the same total output, but decompose it differently:
- Classical: into forced (particular) and natural (homogeneous) responses
- Original: into zero-state (particular) and zero-input responses
-
However:
- Particular โ zero-state, Homogeneous โ zero-input
-
To extract components:
- Zero-Input response: Identify terms (that are directly proportional to) initial state (e.g., ) โ
- It may be a little tricky to extract when the initial state is a specific number.
- To tackle this problem, remember that the proportion to initial state is the basic term(s) of the homogenous solution ! (e.g. )
- Or in another way, the Zero-Input response is also directly proportional to the basic term of homogenous solution (e.g. )
- Zero-State response: Remaining terms โ
- Zero-Input response: Identify terms (that are directly proportional to) initial state (e.g., ) โ
๐ธ Summary Table (Common Particular Solution for input)
Input | Modified Input | Particular Solution |
---|---|---|
(Constant) | ||
๐ธ Notes
- Classical approach gives correct output but lacks clear separation of zero-state/zero-input.
- Better tools (e.g., Laplace Transform) will be introduced for direct prediction.
Block diagram representations of LCCDE systems
There are 3 common modules: differentiator, multiplication, and addition. They are represented by:
And the intergrator is represented by

Multiple forms
There can be multiple block diagrams to represent the same system, based on different reformulation of the LCCDE.
- For example, you can use a differentiator instead of an integrator
- Although the two forms are theoretically equivalent, implementation using integrator is better that that using differentiator due to improved robustness of integrator against noise.
